
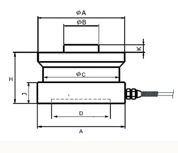
| Cap | A | B | C | D | H | K | J |
| 100.,150.,200T | 150 | 70 | 140 | 124 | 80 | 16 | 30 |
*300T/500T/100T Dimension Available on Request.
| Parameter | C3 | Unit |
| Rated load (Emax): | 50, 100, 200, 300, 500 | t |
| Maximal numbers of load cell verification Intervals (NIc): |
3000 | d |
| Minimum load cell Verification intervals Intervals (Vmin): |
0.01 | % of rated load |
| Rated output (Cn): | 2.0 ± 0.1% | mV/V |
| *Combined error: | 0.015 | ± % of rated output |
| Temperature effect on sensitivity (Tkc): | 0.0012 | ± % of rated output°C |
| Temperature effect on zero balance (Tk0): | 0.0008 | ± % of rated output°C |
| Zero balance: | 1.0 | ± % of rated output |
| Input resistance(Rlc): | 775 ± 5 | Ω (Ohms) |
| Output resistance (Ro): | 702 ± 2 | Ω (Ohms) |
| Insulation resistance: | ≥ 5000 | M Ω (Mega-Ohms) |
| Safe overload: | 150 | ± % of rated capability |
| Ultimate overload: | 300 | ± % of rated capability |
| Operating temperature range: | -20 ̴+70/-20 ̴+160 | °C / °F |
| Recommend excitation: | 8~24 | V(DC or AC) |
| Maximum excitation: | 48 | V(DC or AC) |
| Material of elastomer: | Alloy steel \/ Stainless steel | |
| Protection class: | IP67/IP68 |