
| Related Load (Ton) 10 / 20 / 30 |
| Precision C2 & C3 |
| Composition Error± 0.03 & ± 0.02 |
| Rated Output (mv/v) 2.0 ± 0.002 |
| Creep (%FS/30min)0.023 / 0.016 |
| Zero Balance (%FS)± 1.5 |
| Input Resistance (Ω)700 ± 10 |
| Output Resistance (Ω)750 ± 5 |
| Insulation Resistance(MΩ@VDC)≥5000(50) |
| Excitation Voltage (VDC)9~12 |
| Compensated temp. Range (°C)-10~+40 |
| Use Temp. Range (°C)-20~+55 |
| Temp. Effect on Zero (°C)0.017 / 0.011 |
| Temp. Effect on Span (°C)0.029 / 0.019 |
| Safe Overload (%FS)120 |
| Ultimate Overload (%FS)150 |
| Defend GradeIP66 / IP68 |
| Related Load (Ton) 10 / 20 / 30 |
| Precision C3 |
| Composition Error± 0.02 |
| Rated Output (mv/v) 1,000.000 Counts |
| Creep (%FS/10min)0.02 |
| Excitation Voltage (VDC)5.5~12 |
| Compensated temp. Range (°C)-10~+40 |
| Use Temp. Range (°C)-20~+60 |
| Temp. Effect on Zero (°C)0.019 |
| Temp. Effect on Span (°C)0.011 |
| Safe Overload (%FS)150 |
| Defend GradeIP67 |
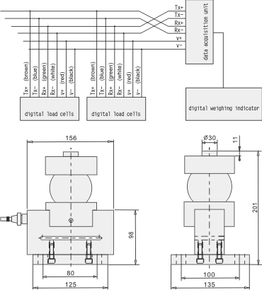
| A/D Module Resolution1.000.00 |
| Communication BPS9600 |
| Communication Port485/4 Cable |
| Digital Reburfishing Frequency10~80 / S |
| Maximum of Verification scale Intervals5000 n max |
| Max. Communication Range1200 m |
| No. of Address Bus32 |